Rathaus Bottrop
Planungsgutachten, 2015
Auftraggeber: Stadt Bottrop, Fachbereich Immobilienwirtschaft
Standort: Ernst-Wilczok-Platz 1, 46236 Bottrop
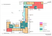
Für das unter Denkmalschutz stehende Rathaus der Stadt Bottrop wurde durch den Fachbereich Immobilienwirtschaft ein Planungsgutachten zur baulichen Sanierung in Auftrag gegeben.
Wir erstellten ein Sanierungskonzept der Gebäudesubstanz unter Berücksichtigung des Denkmalschutzes, der Arbeitsstättenrichtlinien, des Brandschutzes, der TGA sowie der Wirtschaftlichkeit, das als Grundlage für weitere Entscheidungen zur Gesamtrenovierung dienen soll.




